锁定鲁尔圆锥接头测试仪这款仪器主要是用来测试鲁尔圆锥接头,锁定接头的抗过载性,标准接头不应该越过被测试接头的螺纹和凸耳。标准中规定,对被测试的接头施加不小于0.15N.m的扭矩并保持5秒钟,鲁尔接头的内丝外丝不滑丝为合格。

抗过载(滑丝)试验(仅适用于锁定鲁尔圆锥接头)
仪器装置
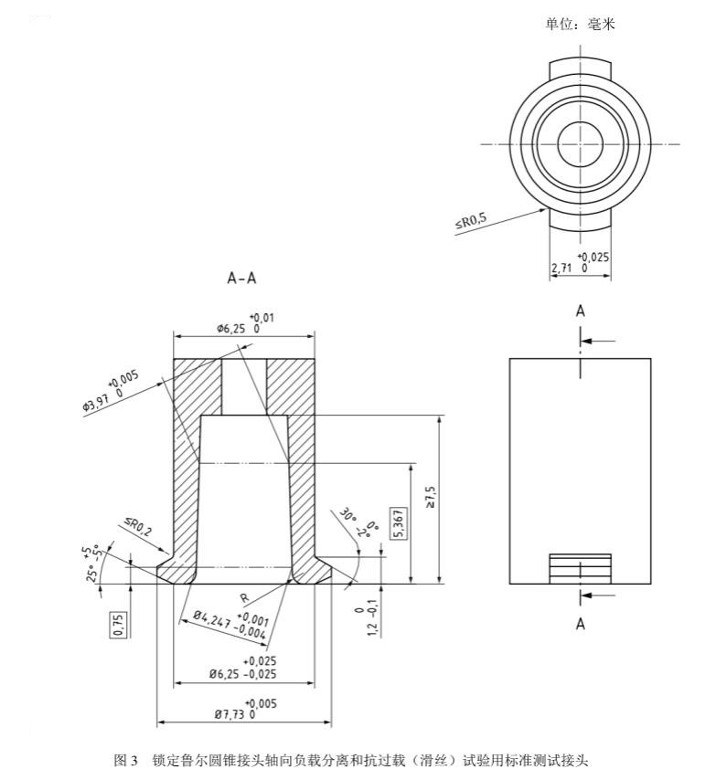
标准测试接头 见图3。

ZZ1962-C 鲁尔圆锥接头多功能测试仪可同时施加轴向力和扭矩,使供试鲁尔圆锥接头与标准测试接头组装的装置。
计时器 精度为±l秒。
加载装置 可施加0.15~0.17N·m扭矩的装置。

鲁尔圆锥接头抗滑丝性试验方法
a) 干燥供试接头和标准测试接头。
b)通过施加 26.5~27.5N 的轴向力持续 5~6秒,同时施加 0.08~0.12N·m的扭矩旋转供试
圆锥接头使之组装。
c)向供试组装件沿旋紧方向施加 0.15~0.17N·m的扭矩,保持5~10秒的时间。不要在其
他方向施加任何力或扭矩。
d) 检查供试接头是否能够承受上述扭矩和保持时间不滑丝。
结果判定
供试接头能够承受上述扭矩和保持时间不滑丝,判为合格。
